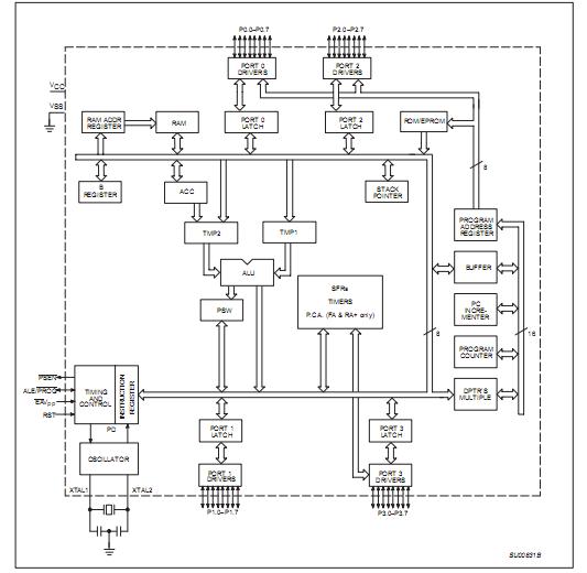
Product Summary
The P80C32X2BA is a Single-Chip 8-Bit Microcontroller. It can address up to 64K of external memory. The P80C32X2BA,512 has four 8-bit I/O ports, three 16-bit timer/event counters, a multi-source, four-priority-level, nested interrupt structure, an enhanced UART and on-chip oscillator and timing circuits. For systems that require extra memory capability up to 64k bytes, each can be expanded using standard TTL-compatible memories and logic. The P80C32X2BA also has a more versatile serial channel that facilitates multiprocessor communications.
Parametrics
P80C32X2BA absolute maximum ratings: (1)Operating temperature under bias:0℃ to +70℃ or –40℃ to +85℃; (2)Storage temperature range:–65℃ to +150℃; (3)Voltage on EA/VPP pin to VSS:0 to +13.0V; (4)Voltage on any other pin to VSS:–0.5 to +6.5V; (5)Maximum IOL per I/O pin:15 mA; (6)Power dissipation (based on package heat transfer limitations, not device power consumption):1.5 W.
Features
P80C32X2BA features: (1)80C51 Central Processing Unit; (2)Speed up to 33MHz; (3)Full static operation; (4)Operating voltage range: 2.7V to 5.5V @ 16MHz; (5)Security bits: ROM:2 bits, OTP–EPROM:3 bits; (6)Encryption array:64 bytes; (7)RAM expandable to 64K bytes; (8)4 level priority interrupt; (9)6 or7 interrupt sources, depending on device; (10)Four 8-bit I/O ports; (11)Full-duplex enhanced UART: Framing error detection, Automatic address recognition; (12)Power control modes: Clock can be stopped and resumed, Idle mode, Power down mode; (13)Programmable clock out; (14)Second DPTR register; (15)Asynchronous port reset; (16)Low EMI (inhibit ALE).
Diagrams

| Image | Part No | Mfg | Description | ![]() |
Pricing (USD) |
Quantity | ||||||||||||
|---|---|---|---|---|---|---|---|---|---|---|---|---|---|---|---|---|---|---|
![]() |
![]() P80C32X2BA,512 |
![]() NXP Semiconductors |
![]() 8-bit Microcontrollers (MCU) 80C51 256B 12/6 CLKS ROMLESS |
![]() Data Sheet |
![]()
|
|
||||||||||||
| Image | Part No | Mfg | Description | ![]() |
Pricing (USD) |
Quantity | ||||||||||||
![]() |
![]() P80C151SB |
![]() Other |
![]() |
![]() Data Sheet |
![]() Negotiable |
|
||||||||||||
![]() |
![]() P80C152JA |
![]() Other |
![]() |
![]() Data Sheet |
![]() Negotiable |
|
||||||||||||
![]() |
![]() P80C251SB16 |
![]() |
![]() IC MPU 8-BIT 5V 16MHZ 40-DIP |
![]() Data Sheet |
![]() Negotiable |
|
||||||||||||
![]() |
![]() P80C251SQ16 |
![]() |
![]() IC MPU 8-BIT 5V 16MHZ 40-DIP |
![]() Data Sheet |
![]() Negotiable |
|
||||||||||||
![]() |
![]() P80C251TB24 |
![]() |
![]() IC MPU 8-BIT 5V 24MHZ 40-DIP |
![]() Data Sheet |
![]() Negotiable |
|
||||||||||||
![]() P80C251TQ24 |
![]() |
![]() IC MPU 8-BIT 5V 24MHZ 40-DIP |
![]() Data Sheet |
![]() Negotiable |
|
|||||||||||||
(China (Mainland))










