Product Summary
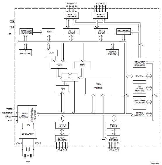
The P87C51SBAA is an 8-bit microcontroller design fabricated with Philips high-density CMOS technology with operation from 2.7V to 5.5V. The P87C51SBAA contains a 4k × 8 ROM, a 128 × 8 RAM, 32 I/O lines, three 16-bit counter/timers, a six-source, four-priority level nested interrupt structure, a serial I/O port for either multi-processor communications, I/O expansion or full duplex UART, and on-chip oscillator and clock circuits. In addition, the P87C51SBAA is a low power static design which offers a wide range of operating frequencies down to zero. Two software selectable modes of power reduction—idle mode and power-down mode are available. The idle mode freezes the CPU while allowing the RAM, timers, serial port, and interrupt system to continue functioning. The power-down mode saves the RAM contents but freezes the oscillator, causing all other chip functions to be inoperative. Since the design is static, the clock can be stopped without loss of user data and then the execution resumed from the point the clock was stopped.
Parametrics
P87C51SBAA absolute maximum ratings: (1)Operating temperature under bias: 0 to +70 or -40 to +85 ℃; (2)Storage temperature range: -65 to +150 ℃; (3)Voltage on EA/VPP pin to VSS : 0 to +13.0 V; (4)Voltage on any other pin to VSS: -0.5 to +6.5 V; (5)Maximum IOL per I/O pin: 15 mA; (6)Power dissipation (based on package heat transfer limitations, not device power consumption): 1.5 W.
Features
P87C51SBAA features: (1)Three package styles; (2)Extended temperature ranges; (3)Dual Data Pointers; (4)Security bits: ROM (2 bits), OTP/EPROM (3 bits); (5)Encryption array—64 bytes; (6)4 level priority interrupt; (7)6 interrupt sources; (8)Four 8-bit I/O ports; (9)Full–duplex enhanced UART Framing error detection, Automatic address recognition; (10)Programmable clock out; (11)Asynchronous port reset; (12)Low EMI (inhibit ALE); (13)Wake-up from Power Down by an external interrupt (8XC51).
Diagrams

| Image | Part No | Mfg | Description | ![]() |
Pricing (USD) |
Quantity | ||||||||||||
|---|---|---|---|---|---|---|---|---|---|---|---|---|---|---|---|---|---|---|
![]() |
![]() P87C51SBAA |
![]() Other |
![]() |
![]() Data Sheet |
![]() Negotiable |
|
||||||||||||
![]() |
![]() P87C51SBAA,512 |
![]() NXP Semiconductors |
![]() 8-bit Microcontrollers (MCU) 80C51 4K/128 OTP |
![]() Data Sheet |
![]()
|
|
||||||||||||
(China (Mainland))










