Product Summary
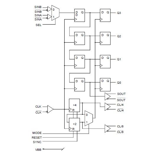
The SY10E445JC is an integrated 4-bit serial-to-parallel data converter. The SY10E445JC is designed to operate for NRZ data rates of up to 2.5Gb/s. The chip generates a divide-by-4 and a divide-by-8 clock for both 4-bit conversion and a two-chip 8-bit conversion function. The conversion sequence was chosen to convert the first serial bit to Q0, the second to Q1, etc. Two selectable serial inputs provide a loopback capability for testing purposes when the device is used in conjunction with the E446 parallel-to-serial converter. The start bit for conversion can be moved using the SYNC input. A single pulse, applied asynchronously for at least two input clock cycles, shifts the start bit for conversion from Qn to Qn-1 by one bit. For each additional shift required, an additional pulse must be applied to the SYNC input. Asserting the SYNC input will force the internal clock dividers to swallow a clock pulse, effectively shifting a bit from the Qn to the Qn-1 output (see Timing Diagram B).
Parametrics
SY10E445JC absolute maximum ratings: (1)IIH Input HIGH Current : 150μA; (2)VOH Output HIGH Voltage (SOUT only)10E: –790mA; (3)tRR Reset Recovery Time: 500ps.
Features
SY10E445JC features: (1)On-chip clock ÷4 and ÷8; (2)Extended 100E VEE range of –4.2V to –5.5V; (3)2.5Gb/s data rate capability; (4)Differential clock and serial inputs; (5)VBB output for single-ended use; (6)Asynchronous data synchronization; (7)Mode select to expand to 8 bits; (8)Internal 75kΩ input pull-down resistors; (9)Fully compatible with Motorola MC10E/100E445; (10)Available in 28-pin PLCC package.
Diagrams

| Image | Part No | Mfg | Description | ![]() |
Pricing (USD) |
Quantity | ||||
|---|---|---|---|---|---|---|---|---|---|---|
![]() |
![]() SY10E445JC |
![]() |
![]() IC CONV 4-BIT SER/PAR 28-PLCC |
![]() Data Sheet |
![]() Negotiable |
|
||||
| Image | Part No | Mfg | Description | ![]() |
Pricing (USD) |
Quantity | ||||
![]() |
![]() SY10/100E111 |
![]() Other |
![]() |
![]() Data Sheet |
![]() Negotiable |
|
||||
![]() |
![]() SY10/100E111A/L |
![]() Other |
![]() |
![]() Data Sheet |
![]() Negotiable |
|
||||
![]() |
![]() SY10/100E111AE/LE |
![]() Other |
![]() |
![]() Data Sheet |
![]() Negotiable |
|
||||
![]() |
![]() SY10/100E154 |
![]() Other |
![]() |
![]() Data Sheet |
![]() Negotiable |
|
||||
![]() |
![]() SY10/100E156 |
![]() Other |
![]() |
![]() Data Sheet |
![]() Negotiable |
|
||||
![]() |
![]() SY10/100E157 |
![]() Other |
![]() |
![]() Data Sheet |
![]() Negotiable |
|
||||
(China (Mainland))










