Product Summary
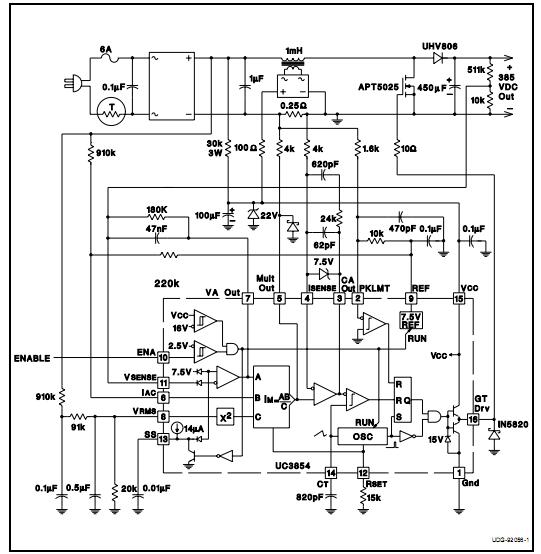
The UC3854N is a High Power Factor Preregulator. The UC3854N provides active power factor correction for power systems that otherwise would draw non-sinusoidal current from sinusoidal power lines. The UC3854N implements all the control functions necessary to build a power supply capable of optimally using available power-line current while minimizing line-current distortion. To do this, the UC3854N contains a voltage amplifier, an analog multiplier/divider, a current amplifier, and a fixed-frequency PWM. In addition, the UC3854N contains a power MOSFET compatible gate driver, 7.5V reference, line anticipator, load-enable comparator, low-supply detector, and over-current comparator.
Parametrics
UC3854N absolute maximum ratings: (1)Supply Voltage VCC: 35V; (2)GT Drv Current, Continuous: 0.5A; (3)GT Drv Current, 50% Duty Cycle: 1.5A; (4)Input Voltage, VSENSE, VRMS: 11V; (5)Input Voltage, ISENSE, Mult Out: 11V; (6)Input Voltage, PKLMT: 5V; (7)Input Current, RSET, IAC, PKLMT, ENA: 10mA; (8)Power Dissipation: 1W; (9)Storage Temperature: –65℃ to +150℃; (10)Lead Temperature (Soldering, 10 Seconds): +300℃.
Features
UC3854N features: (1)Control Boost PWM to 0.99 Power Factor; (2)Limit Line Current Distortion To <5%; (3)World-Wide Operation Without Switches; (4)Feed-Forward Line Regulation; (5)Average Current-Mode Control; (6)Low Noise Sensitivity; (7)Low Start-Up Supply Current; (8)Fixed-Frequency PWM Drive; (9)Low-Offset Analog Multiplier/Divider; (10)1A Totem-Pole Gate Driver; (11)Precision Voltage Reference.
Diagrams

| Image | Part No | Mfg | Description | ![]() |
Pricing (USD) |
Quantity | ||||||||||||
|---|---|---|---|---|---|---|---|---|---|---|---|---|---|---|---|---|---|---|
![]() |
![]() UC3854N |
![]() Texas Instruments |
![]() Power Factor Correction ICs Pwr Factor Pre- |
![]() Data Sheet |
![]()
|
|
||||||||||||
![]() |
![]() UC3854N-F |
![]() Texas Instruments |
![]() Power Factor Correction ICs Hi Pwr FACTOR PREREG |
![]() Data Sheet |
![]()
|
|
||||||||||||
![]() |
![]() UC3854NG4 |
![]() Texas Instruments |
![]() Power Factor Correction ICs High Power-Factor Preregulator |
![]() Data Sheet |
![]()
|
|
||||||||||||
![]() |
![]() UC3854N-FG4 |
![]() Texas Instruments |
![]() Power Factor Correction ICs Hi Pwr FACTOR PREREG |
![]() Data Sheet |
![]()
|
|
||||||||||||
(China (Mainland))









