Product Summary
The 1N4148WS T4 is a surface mount fast switching diode.
Parametrics
1N4148WS T4 absolute maximum ratings: (1)Non-Repetitive Peak Reverse Voltage, VRM: 100 V; (2)Peak Repetitive Reverse Voltage, VRRM: 75V; Working Peak Reverse Voltage, VRWM: 75V; DC Blocking Voltage, VR: 75 V; (3)RMS Reverse Voltage, VR(RMS): 53 V; (4)Forward Continuous Current, IFM: 300 mA; (5)Average Rectified Output Current, IO: 150 mA; (6)Non-Repetitive Peak Forward Surge Current @ t = 1.0ms, IFSM: 2.0A; @ t = 1.0s IFSM: 1.0 A; (7)Power Dissipation, Pd: 200 mW; (8)Thermal Resistance Junction to Ambient Air, RqJA: 625℃/W; (9)Operating and Storage Temperature Range, Tj , TSTG: -65 to +150℃.
Features
1N4148WS T4 features: (1)Fast Switching Speed; (2)Ultra-Small Surface Mount Package; (3)For General Purpose Switching Applications; (4)High Conductance; (5)Lead Free/RoHS Compliant; (6)Qualified to AEC-Q101 Standards for High Reliability.
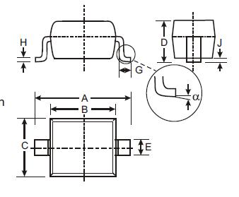
Diagrams

![]() |
![]() 1N4100 |
![]() Central Semiconductor |
![]() Zener Diodes .25W 5% Lw Noise/Lvl |
![]() Data Sheet |
![]()
|
|
||||||||||||
![]() |
![]() 1N4100-TR |
![]() Central Semiconductor |
![]() Zener Diodes .25W 5% Lw Noise/Lvl |
![]() Data Sheet |
![]()
|
|
||||||||||||
![]() |
![]() 1N4101 |
![]() Central Semiconductor |
![]() Zener Diodes .25W 5% Lw Noise/Lvl |
![]() Data Sheet |
![]()
|
|
||||||||||||
![]() |
![]() 1N4101-TR |
![]() Central Semiconductor |
![]() Zener Diodes .25W 5% Lw Noise/Lvl |
![]() Data Sheet |
![]()
|
|
||||||||||||
![]() |
![]() 1N4102 |
![]() Central Semiconductor |
![]() Zener Diodes .25W 5% Lw Noise/Lvl |
![]() Data Sheet |
![]()
|
|
||||||||||||
![]() |
![]() 1N4102-TR |
![]() Central Semiconductor |
![]() Zener Diodes .25W 5% Lw Noise/Lvl |
![]() Data Sheet |
![]()
|
|
||||||||||||
(China (Mainland))








