Product Summary
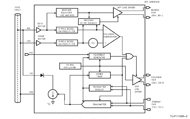
The DP8392CV is a CTI Coaxial Transceiver Interface. The DP8392CV is connected between the coaxial cable and the Data Terminal Equipment (DTE). In Ethernet applications the transceiver is usually mounted within a dedicated enclosure and is connected to the DTE via a transceiver cable. In Cheapernet applications, the DP8392CV is typically located within the DTE and connects to the DTE through isolation transformers only. The CTI consists of a Receiver, Transmitter, Collision Detector, and a Jabber Timer. The Transmitter connects directly to a 50 ohm coaxial cable where it is used to drive the coax when transmitting. During transmission, a jabber timer is initiated to disable the CTI transmitter in the event of a longer than legal length data packet. Collision Detection circuitry monitors the signals on the coax to determine the presence of colliding packets and signals the DTE in the event of a collision.
Parametrics
DP8392CV absolute maximum ratings: (1)Supply Voltage (VEE): 12V; (2)Package Power Rating at 25℃: 3.5 Watts; (3)Derate linearly at the rate of 28.6 mW/℃; (4)Input Voltage: 0 to 12V; (5)Storage Temperature: 65 to 150℃; (6)Lead Temp. (Soldering, 10 seconds): 260℃.
Features
DP8392CV features: (1)Compatible with Ethernet II, IEEE 802.3 10Base5 and 10Base2 (Cheapernet); (2)Integrates all transceiver electronics except signal & power isolation; (3)Innovative design minimizes external component count Jabber timer function integrated on chip; (4)Externally selectable CD Heartbeat allows operation with IEEE 802.3 compatible repeaters; (5)Precision circuitry implements receive mode collision detection; (6)Squelch circuitry at all inputs rejects noise; (7)Designed for rigorous reliability requirements of IEEE 802.3; (8)Standard Outline 16-pin DIP uses a special leadframe that significantly reduces the operating die temperature.
Diagrams

| Image | Part No | Mfg | Description | ![]() |
Pricing (USD) |
Quantity | ||||
|---|---|---|---|---|---|---|---|---|---|---|
![]() |
![]() DP8392CV |
![]() National Semiconductor |
![]() IC TRANSCEIVER COAX INT 28-PLCC |
![]() Data Sheet |
![]() Negotiable |
|
||||
![]() |
![]() DP8392CV-1 |
![]() |
![]() IC TXRX COAX INTERFACE 28-PQFP |
![]() Data Sheet |
![]() Negotiable |
|
||||
(China (Mainland))










