Product Summary
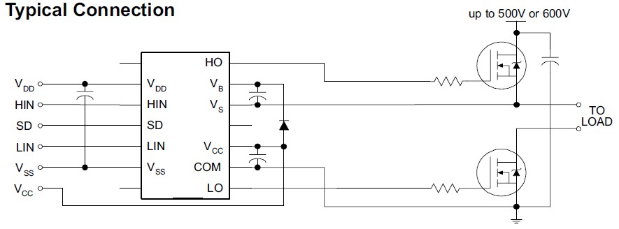
The IR2113PBF is a high voltage, high speed power MOSFET and IGBT driver with independent high and low side referenced output channels. Proprietary HVIC and latch immune CMOS technologies enable ruggedized monolithic construction. Logic inputs of the IR2113PBF are compatible with standard CMOS or LSTTL output, down to 3.3V logic. The output drivers feature a high pulse current buffer stage designed for minimum driver cross-conduction. Propagation delays are matched to simplify use in high frequency applications. The floating channel can be used to drive an N-channel power MOSFET or IGBT in the high side configuration which operates up to 500 or 600 volts.
Parametrics
IR2113PBF absolute maximum ratings: (1)VB High side floating supply voltage (IR2110): -0.3 to 525, (IR2113): -0.3 to 625V; (2)VS High side floating supply offset voltage: VB - 25 to VB + 0.3V; (3)VHO High side floating output voltage VS: - 0.3 to VB + 0.3V; (4)VCC Low side fixed supply voltage: -0.3 to 25V; (5)VLO Low side output voltage: -0.3 to VCC + 0.3V; (6)VDD Logic supply voltage: -0.3 to VSS + 25V; (7)VSS Logic supply offset voltage: VCC - 25 to VCC + 0.3V; (8)VIN Logic input voltage (HIN, LIN & SD): VSS - 0.3 to VDD + 0.3V; (9)dVs/dt Allowable offset supply voltage transient: 50 V/ns; (10)TJ Junction temperature: 150℃; (11)TS Storage temperature: -55 to 150℃; (12)TL Lead temperature (soldering, 10 seconds): 300℃.
Features
IR2113PBF features: (1)Floating channel designed for bootstrap operation Fully operational to +500V or +600V Tolerant to negative transient voltage dV/dt immune; (2)Gate drive supply range from 10 to 20V; (3)Undervoltage lockout for both channels; (4)3.3V logic compatible Separate logic supply range from 3.3V to 20V Logic and power ground ±5V offset; (5)CMOS Schmitt-triggered inputs with pull-down; (6)Cycle by cycle edge-triggered shutdown logic; (7)Matched propagation delay for both channels; (8)Outputs in phase with inputs.
Diagrams

| Image | Part No | Mfg | Description | ![]() |
Pricing (USD) |
Quantity | ||||||||||||
|---|---|---|---|---|---|---|---|---|---|---|---|---|---|---|---|---|---|---|
![]() |
![]() IR2113PBF |
![]() International Rectifier |
![]() Power Driver ICs Hi&Lw Sd Drvr All HiVlt Pins 1 Sd |
![]() Data Sheet |
![]()
|
|
||||||||||||
| Image | Part No | Mfg | Description | ![]() |
Pricing (USD) |
Quantity | ||||||||||||
![]() |
![]() IR2101 |
![]() |
![]() IC DRIVER HIGH/LOW SIDE 8-DIP |
![]() Data Sheet |
![]() Negotiable |
|
||||||||||||
![]() |
![]() IR2101(S) |
![]() Other |
![]() |
![]() Data Sheet |
![]() Negotiable |
|
||||||||||||
![]() |
![]() IR21014 |
![]() International Rectifier |
![]() IC DRIVER HIGH/LOW SIDE 14-DIP |
![]() Data Sheet |
![]() Negotiable |
|
||||||||||||
![]() |
![]() IR21014S |
![]() International Rectifier |
![]() IC DRIVER HIGH/LOW SIDE 14-SOIC |
![]() Data Sheet |
![]() Negotiable |
|
||||||||||||
![]() |
![]() IR2101PBF |
![]() International Rectifier |
![]() Power Driver ICs |
![]() Data Sheet |
![]()
|
|
||||||||||||
![]() |
![]() IR2101S |
![]() |
![]() IC DRIVER HIGH/LOW SIDE 8-SOIC |
![]() Data Sheet |
![]() Negotiable |
|
||||||||||||
(China (Mainland))












