Product Summary
                                                  	The TMP47P443VN is a CMOS 4-BIT microcontroller. The TMP47P443VN programs / verifies using an adapter socket to connect with PROM programmer, as it is in TMP47P443VN. In addition, the the TMP47P443VN is pin compatible. The TMP47P443V operates as the same as the TMP47P443VN by programming to the internal PROM.
                                                  
Parametrics
TMP47P443VN absolute maximum ratings: (1)Supply Voltage VDD: -0.3 to 6.5V; (2)Program Voltage Vpp RESET/VPP pin: -0.3 to 13.0 V; (3)Input Voltage VIN: -0.3 to VQQ + 0.3 V; (4)Output Voltage VOUT: -0.3 to VQQ + 0.3 V; (5)Output Current (Perl pin)0UT1 Port R5, R6: 30 mA; (6)Output Current (Total)2 IOUT Port R4, R5, R6, R7, R8, R9: 120 mA; (7)Power Dissipation [Topr = 70℃] PD DIP: 300 mW; (8)Soldering Temperature (time)Tsld: 260 (10 s)℃; (9)Storage Temperature Tstg: -55 to 125 ℃; (10)Operating Temperature Topr: -30 to 70 ℃.
Features
TMP47P443VN features: (1)Supply Voltage VDD fc = 8.0 MHz: 2.7 to 5.5V; (2)Input High Voltage VIH1 Except Hysteresis Input In the normal operating area: VDD*0.7 to VDD; (3)V|H2 Hysteresis Input: VDD X 0.75; (4)VIH3 In the HOLD mode: VDDXO-9; (5)Input Low Voltage VIL1 Except Hysteresis Input In the normal operating area: 0 to VDDX0.3; (6)V|L2 Hysteresis Input: VDD x 0.25; (7)VIL3 In the HOLD mode: VDDXO.1; (8)Clock Frequency fc XIN, XOUT Vdd = 2-7 to 5.5 V: 0.4 to 8.0MHZ, VDD = 2.2 to 5.5 V: 4.2MHZ.
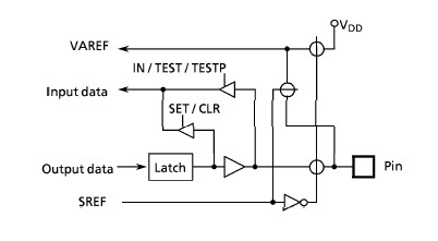
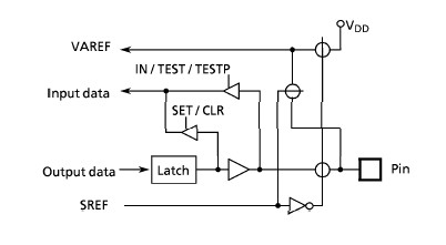
Diagrams

![]()  | 
                            ![]() TMP40  | 
                            ![]() Other  | 
                            ![]()  | 
                            ![]() Data Sheet  | 
                            ![]() Negotiable  | 
                            
                            	 | 
                      ||||||||||||||
![]()  | 
                            ![]() TMP400AIDBQR  | 
                            ![]() Texas Instruments  | 
                            ![]() Board Mount Temperature Sensors 1C Remote and Local TEMP SENSOR  | 
                            ![]() Data Sheet  | 
                            ![]() 
  | 
                            
                            	 | 
                      ||||||||||||||
![]()  | 
                            ![]() TMP400AIDBQRG4  | 
                            ![]() Texas Instruments  | 
                            ![]() Board Mount Temperature Sensors 1C Remote and Local Temp SENSOR  | 
                            ![]() Data Sheet  | 
                            ![]() 
  | 
                            
                            	 | 
                      ||||||||||||||
![]()  | 
                            ![]() TMP400AIDBQT  | 
                            ![]() Texas Instruments  | 
                            ![]() Board Mount Temperature Sensors 1C Remote and Local TEMP SENSOR  | 
                            ![]() Data Sheet  | 
                            ![]() 
  | 
                            
                            	 | 
                      ||||||||||||||
![]()  | 
                            ![]() TMP400AIDBQTG4  | 
                            ![]() Texas Instruments  | 
                            ![]() Board Mount Temperature Sensors 1C Remote and Local Temp SENSOR  | 
                            ![]() Data Sheet  | 
                            ![]() 
  | 
                            
                            	 | 
                      ||||||||||||||
![]()  | 
                            ![]() TMP401  | 
                            ![]() Other  | 
                            ![]()  | 
                            ![]() Data Sheet  | 
                            ![]() Negotiable  | 
                            
                            	 | 
                      ||||||||||||||
 (China (Mainland)) 
                         
                        
                                    







