Product Summary
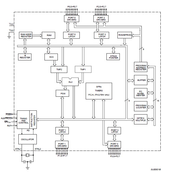
The P80C32UBAA is a 8-bit CMOS microcontroller. For applications requiring 4K ROM/EPROM, see the P80C32UBAA 8-bit CMOS (low voltage, low power, and high speed) microcontroller families datasheet. All the families are Single-Chip 8-Bit Microcontrollers manufactured in advanced CMOS process and are derivatives of the 80C51 microcontroller family. All the devices have the same instruction set as the 80C51. These devices provide architectural enhancements that make them applicable in a variety of applications for general control systems.
Parametrics
P80C32UBAA absolute maximum ratings: (1)Operating temperature under bias: 0 to +70 or -40 to +85 ℃; (2)Storage temperature range: -65 to +150 ℃; (3)Voltage on EA/VPP pin to VSS: 0 to +13.0 V; (4)Voltage on any other pin to VSS: -0.5 to +6.5 V; (5)Maximum IOL per I/O pin: 15 mA; (6)Power dissipation (based on package heat transfer limitations, not device power consumption): 1.5 W.
Features
P80C32UBAA features: (1)80C51 Central Processing Unit; (2)Speed up to 33MHz; (3)Full static operation; (4)Operating voltage range: 2.7V to 5.5V @ 16MHz; (5)Encryption array – 64 bytes; (6)RAM expandable to 64K bytes; (7)4 level priority interrupt; (8)6 or7 interrupt sources, depending on device; (9)Four 8-bit I/O ports; (10)Programmable clock out; (11)Second DPTR register; (12)Asynchronous port reset; (13)Low EMI (inhibit ALE).
Diagrams

| Image | Part No | Mfg | Description | ![]() |
Pricing (USD) |
Quantity | ||||||||||||
|---|---|---|---|---|---|---|---|---|---|---|---|---|---|---|---|---|---|---|
![]() |
![]() P80C32UBAA,512 |
![]() NXP Semiconductors |
![]() 8-bit Microcontrollers (MCU) 80C51 256B 33MHZ ROMLESS |
![]() Data Sheet |
![]()
|
|
||||||||||||
![]() |
![]() P80C32UBAA,518 |
![]() NXP Semiconductors |
![]() 8-bit Microcontrollers (MCU) 128/256B RAM ROMLESS 2.7-5.5V 33MHZ |
![]() Data Sheet |
![]()
|
|
||||||||||||
(China (Mainland))










