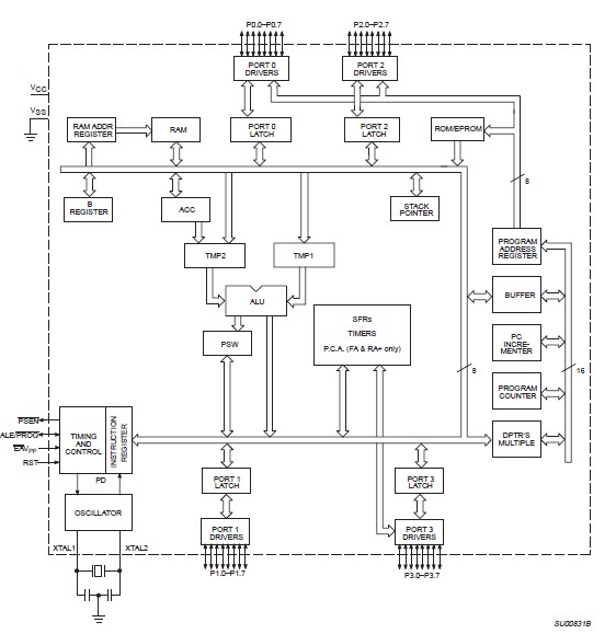
Product Summary
The P87C51RB+4A is an 8-bit microcontroller. For applications requiring 4K ROM/EPROM, see the P87C51RB+4A 8-bit CMOS (low voltage, low power, and high speed) microcontroller families datasheet. All the families are Single-Chip 8-Bit Microcontrollers manufactured in advanced CMOS process and are derivatives of the 80C51 microcontroller family. All the P87C51RB+4A has the same instruction set as the 80C51. The P87C51RB+4A provides architectural enhancements that make them applicable in a variety of applications for general control systems.
Parametrics
P87C51RB+4A absolute maximum ratings: (1)Operating temperature under bias: -55 to +125 ℃; (2)Storage temperature range: -65 to +150 ℃; (3)Voltage on EA/VPP pin to VSS: 0 to + 13.0 V; (4)Voltage on any other pin to VSS: -0.5 to VDD+0.5V V; (5)Maximum IOL per I/O pin: 20 mA; (6)Power dissipation (based on package heat transfer, not device power consumption): 1.5 W.
Features
P87C51RB+4A features: (1)Extended features of the 51MX Core:; (2)23-bit program memory space and 23-bit data memory space linear program and data address range expanded to support; (3)up to 8 Mbytes each; (4)Program counter expanded to 23 bits; (5)Stack pointer extended to 16 bits enabling stack space beyond the 80C51 limitation; (6)New 23-bit extended data pointer and two 24-bit universal pointers greatly improve C compiler code efficiency in using; (7)pointers to access variables in different spaces.; (8)100% binary compatibility with the classic 80C51 so that existing code is completely reusable; (9)Up to 24 MHz CPU clock with 6 clock cycles per machine cycle; (10)96 Kbytes or 64 Kbytes of on-chip OTP; (11)3 Kbytes or 2 Kbytes of on-chip RAM; (12)Programmable Counter Array (PCA); (13)Two full-duplex enhanced UARTs; (14)Industry-standard Serial Peripheral Interface (SPI).
Diagrams

| Image | Part No | Mfg | Description | ![]() |
Pricing (USD) |
Quantity | ||||||||||||
|---|---|---|---|---|---|---|---|---|---|---|---|---|---|---|---|---|---|---|
![]() |
![]() P87C51RB+4A,512 |
![]() NXP Semiconductors |
![]() 8-bit Microcontrollers (MCU) 80C51 16K/512 OTP |
![]() Data Sheet |
![]()
|
|
||||||||||||
| Image | Part No | Mfg | Description | ![]() |
Pricing (USD) |
Quantity | ||||||||||||
![]() |
![]() P87C251SA16 |
![]() |
![]() IC MCU 8-BIT 8K 16MHZ OTP 40-DIP |
![]() Data Sheet |
![]() Negotiable |
|
||||||||||||
![]() |
![]() P87C251SB16 |
![]() |
![]() IC MCU 8-BIT 16K 16MHZ OTP 40DIP |
![]() Data Sheet |
![]() Negotiable |
|
||||||||||||
![]() |
![]() P87C251SP16 |
![]() |
![]() IC MCU 8-BIT 8K 16MHZ OTP 40-DIP |
![]() Data Sheet |
![]() Negotiable |
|
||||||||||||
![]() P87C251SQ16 |
![]() |
![]() IC MCU 8-BIT 16K 16MHZ OTP 40DIP |
![]() Data Sheet |
![]() Negotiable |
|
|||||||||||||
![]() |
![]() P87C42 |
![]() |
![]() IC MCU UNIV PERIF INTERFAC 40DIP |
![]() Data Sheet |
![]() Negotiable |
|
||||||||||||
![]() |
![]() P87C453EBAA |
![]() Other |
![]() |
![]() Data Sheet |
![]() Negotiable |
|
||||||||||||
(China (Mainland))










